mått och toleranser i enlighet med EN 612
rännkrok |
Längd [mm] |
Differens mot standardlängd [mm] |
|
Rännkrok 250 |
335 |
||
Rännkrok 250 (kort) |
287 |
- |
48 |
Rännkrok 280 |
347 |
||
Rännkrok 280 (kort) |
297 |
- |
50 |
Rännkrok 280 (lång) |
445 |
+ |
98 |
Rännkrok 333 |
383 |
||
Rännkrok 333 (kort) |
312 |
- |
71 |
Rännkrok 333 (lång) |
473 |
+ |
90 |
Rännkrok 400 |
452 |
Rännkrok för rektangulär ränna |
Längd [mm] |
Rännkrok för rektangulär ränna 250 |
325 |
Rännkrok för rektangulär ränna 333 |
370 |
Rännkrok för rektangulär ränna 400 |
435 |
Rännkrok för rektangulär ränna 500 |
455 |
Kompaktkrok |
Längd [mm] |
Kompaktkrok 250 |
135 |
Kompaktkrok 280 |
139 |
Kompaktkrok 333 |
154 |
Kompaktkrok för rektangulär ränna |
Längd [mm] |
Kompaktkrok för rektangulär ränna 250 |
130 |
Kompaktkrok för rektangulär ränna 333 |
145 |
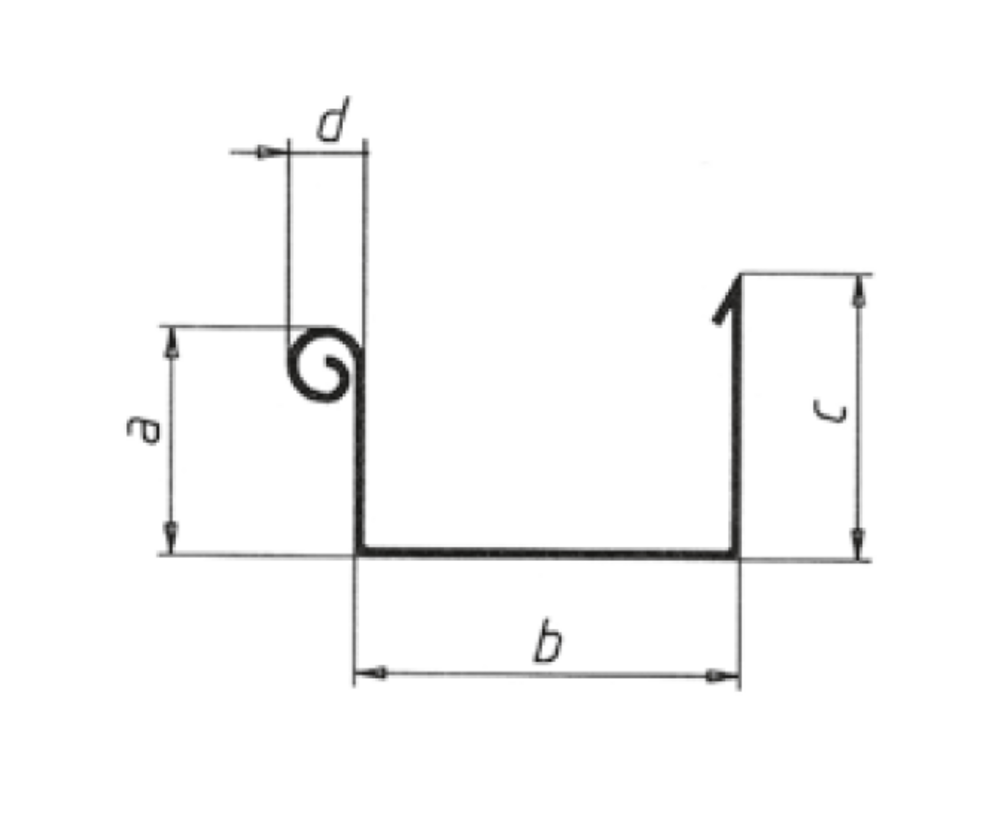
mått takränna |
Framsida a |
Baksida c |
Ränna e |
Vulst d |
250 (8-delar) |
61 |
72 |
110 |
19 |
280 (7-delar) |
67 |
78 |
126 |
19 |
333 (6-delar) |
87 |
98 |
153 |
19 |
400 (5-delar) |
110 |
121 |
192 |
19 |
Mått i mm
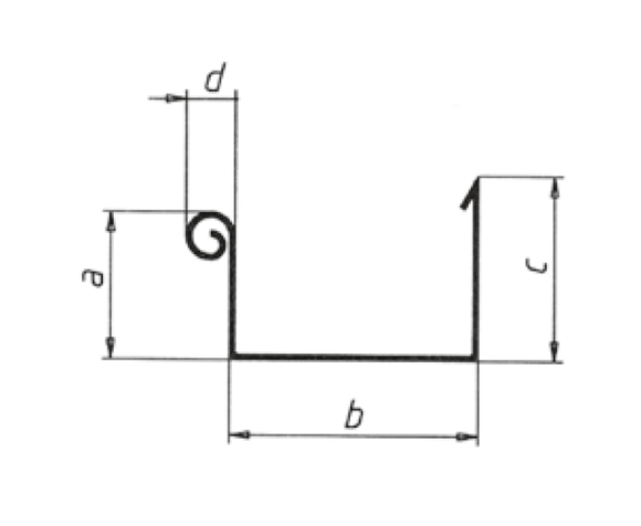
mått takränna |
Framsida a |
Baksida c |
Ränna e |
Vulst d |
250 (8-delar) |
54 |
63 |
86 |
19 |
333 (6-delar) |
75 |
93 |
120 |
19 |
400 (5-delar) |
92 |
113 |
150 |
19 |
500 (4-delar) |
114 |
142 |
200 |
19 |
Mått i mm
rännvinkel 90° (ytter) |
Längd [mm] |
Rännvinkel 250 |
300 |
Rännvinkel 280 |
300 |
Rännvinkel 333 |
300 |
Rännvinkel 400 |
340 |
Rännvinkel 90° (inner) |
Längd [mm] |
Rännvinkel 250 |
300 |
Rännvinkel 280 |
300 |
Rännvinkel 333 |
300 |
Rännvinkel 400 |
340 |
Rektangulär rännvinkel 90° (ytter) |
Längd [mm] |
Rektangulär rännvinkel 250 |
300 |
Rektangulär rännvinkel 333 |
300 |
Rektangulär rännvinkel 400 |
300 |
Rektangulär rännvinkel 500 |
370 |
Rektangulär rännvinkel 90° (inner) |
Längd [mm] |
Rektangulär rännvinkel 250 |
300 |
Rektangulär rännvinkel 333 |
300 |
Rektangulär rännvinkel 400 |
300 |
Rektangulär rännvinkel 500 |
350 |
Det går endast att ladda ner innehåll från en produktkategori. Om du behöver innehåll från flera kategorier, vänligen skapa en separat nedladdning för varje produktområde.