Notera
Detta kapitel är på grund av avvikande nationella regelverk inte tillämpligt i Tyskland och Schweiz. Kontakta Produktteknik i de respektive länderna för mer information!
Infästning med fasta klamrar och glidklamrar utförs enligt statiska krav. Nationella standarder och fackregler kan innehålla avvikande föreskrifter och ska beaktas. I tabellerna nedan finns uppgifter om minsta antal klamrar [styck/m²] beroende på terrängtyp, byggnadshöjd och referensvindhastighet.
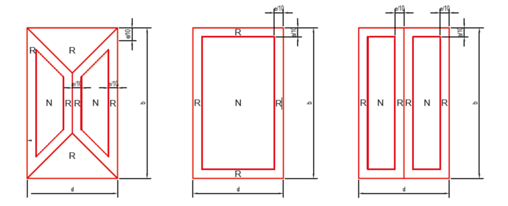
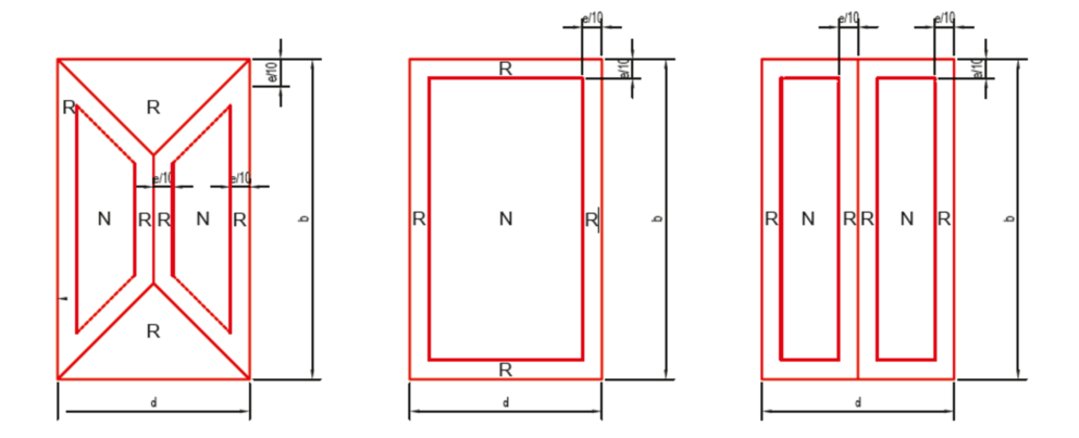
Uppgifterna om minsta antal klamrar hänsyn till en partiell säkerhetsfaktor på 1,35 och ska betraktas som teoretiskt beräknade värden. R = randzon (formfaktor utvändig vindlast cpe = –2,9), N = normalzon (formfaktor utvändig vindlast = –1,3).
Terrängtyp II
Referenshastighet [kN/m²] |
Referenshastighet [m/sec] |
Byggnadshöjd < 15 [m] |
Byggnadshöjd 15-30 [m] |
Byggnadshöjd 30 -50 [m] |
N | R [stk./m²] |
N | R [stk./m²] |
N | R [stk./m²] |
||
≤ 0,32 |
≤ 22,5 |
3,7 | 8,2 |
4,3 | 9,7 |
4,9 | 10,9 |
≤ 0,39 |
≤ 25,0 |
4,5 | 10,0 |
5,3 | 11,8 |
6,0 | 13,3 |
≤ 0,47 |
≤ 27,5 |
5,4 | 12,0 |
6,4 | 14,2 |
7,2 | 16,1 |
≤ 0,56 |
≤ 30,0 |
6,4 | 14,3 |
7,6 | 16,9 |
8,6 | 19,1 |
Terrängtyp III
Referenshastighet [kN/m²] |
Referenshastighet [m/sec] |
Byggnadshöjd < 15 [m] |
Byggnadshöjd 15-30 [m] |
Byggnadshöjd 30 -50 [m] |
N | R [stk./m²] |
N | R [stk./m²] |
N | R [stk./m²] |
||
≤ 0,32 |
≤ 22,5 |
3,1 | 7,0 |
3,8 | 8,5 |
4,4 | 9,9 |
≤ 0,39 |
≤ 25,0 |
3,8 | 8,5 |
4,7 | 10,4 |
5,4 | 12,0 |
≤ 0,47 |
≤ 27,5 |
4,6 | 10,2 |
5,6 | 12,5 |
6,5 | 14,5 |
≤ 0,56 |
≤ 30,0 |
5,5 | 12,2 |
6,7 | 14,9 |
7,7 | 17,3 |
Terrängtyp IV
Referenshastighet [kN/m²] |
Referenshastighet [m/sec] |
Byggnadshöjd < 15 [m] |
Byggnadshöjd 15-30 [m] |
Byggnadshöjd 30 -50 [m] |
N | R [stk./m²] |
N | R [stk./m²] |
N | R [stk./m²] |
||
≤ 0,32 |
≤ 22,5 |
2,2 | 5,0 |
2,9 | 6,4 |
3,5 | 7,8 |
≤ 0,39 |
≤ 25,0 |
2,7 | 6,0 |
3,5 | 7,9 |
4,3 | 9,5 |
≤ 0,47 |
≤ 27,5 |
3,3 | 7,3 |
4,2 | 9,5 |
5,2 | 11,5 |
≤ 0,56 |
≤ 30,0 |
3,9 | 8,7 |
5,1 | 11,3 |
6,1 | 13,7 |
Uppgifterna om minsta antal klamrar hänsyn till en partiell säkerhetsfaktor på 1,35 och ska betraktas som teoretiskt beräknade värden. R = randzon (formfaktor utvändig vindlast cpe = –2,9), N = normalzon (formfaktor utvändig vindlast = –1,3).
Terrängtyp II
Referenshastighet [kN/m²] |
Referenshastighet [m/sec] |
Byggnadshöjd < 15 [m] |
Byggnadshöjd 15-30 [m] |
Byggnadshöjd 30 -50 [m] |
N | R [stk./m²] |
N | R [stk./m²] |
N | R [stk./m²] |
||
≤ 0,32 |
≤ 22,5 |
4,2 | 9,3 |
4,9 | 10,9 |
5,5 | 12,4 |
≤ 0,39 |
≤ 25,0 |
5,1 | 11,3 |
6,0 | 13,3 |
6,8 | 15,1 |
≤ 0,47 |
≤ 27,5 |
6,1 | 13,6 |
7,2 | 16,1 |
8,1 | 18,2 |
≤ 0,56 |
≤ 30,0 |
7,3 | 16,2 |
8,6 | 19,1 |
9,7 | 21,6 |
Terrängtyp III
Referenshastighet [kN/m²] |
Referenshastighet [m/sec] |
Byggnadshöjd < 15 [m] |
Byggnadshöjd 15-30 [m] |
Byggnadshöjd 30 -50 [m] |
N | R [stk./m²] |
N | R [stk./m²] |
N | R [stk./m²] |
||
≤ 0,32 |
≤ 22,5 |
3,5 | 7,9 |
4,3 | 9,6 |
5,0 | 11,2 |
≤ 0,39 |
≤ 25,0 |
4,3 | 9,6 |
5,3 | 11,7 |
6,1 | 13,6 |
≤ 0,47 |
≤ 27,5 |
5,2 | 11,6 |
6,3 | 14,1 |
7,4 | 16,4 |
≤ 0,56 |
≤ 30,0 |
6,2 | 13,8 |
7,6 | 16,9 |
8,8 | 19,5 |
Terrängtyp IV
Referenshastighet [kN/m²] |
Referenshastighet [m/sec] |
Byggnadshöjd < 15 [m] |
Byggnadshöjd 15-30 [m] |
Byggnadshöjd 30 -50 [m] |
N | R [stk./m²] |
N | R [stk./m²] |
N | R [stk./m²] |
||
≤ 0,32 |
≤ 22,5 |
2,5 | 5,6 |
3,3 | 7,3 |
4,0 | 8,9 |
≤ 0,39 |
≤ 25,0 |
3,1 | 6,8 |
4,0 | 8,9 |
4,8 | 10,8 |
≤ 0,47 |
≤ 27,5 |
3,7 | 8,2 |
4,8 | 10,7 |
5,8 | 13,0 |
≤ 0,56 |
≤ 30,0 |
4,4 | 9,8 |
5,7 | 12,8 |
6,9 | 15,5 |
Notera
Avståndet mellan klamrar får oberoende av de beräknade värdena inte överskrida 330 mm i område med fasta klamrar och 500 mm i område med glidklamrar. I området med fastklämda anordningar på falsarna (snörasskydd, PV-underkonstruktion, taksäkerhet) får avståndet mellan klamrarna inte överskrida 330 mm!
Beräkningen av avståndet mellan klamrar sker baserat på skivbredden samt nödvändigt antal/m².
100 : (skivbredd [m] × antal klamrar [st/m²]) = klammeravstånd [cm] [max. klammeravstånd 50 cm, max. avstånd mellan fasta klamrar 33 cm]
Kommentar
e = b eller 2*h (det mindre värdet är avgörande) – avståndet gäller grundytan
ed = avståndsmått på takytan; ed = (e/10) / (cos)
b=största byggnadshöjd
h= största byggnadshöjd
a = taklutning
Exempel
Plats |
Innsbruck |
|---|---|
Byggnad i terrängtyper |
II |
Högsta byggnadshöjd |
10,5 m |
Referenshastighet |
27,1 m/sec |
Max. skivbredd enl. tabell 1 |
43 cm |
Antal klamrar för kantområde enl. tabell 2 |
12,0 st./m² |
Antal klamrar för normalområde enl. tabell 2 |
5,4 Stk./m² |
Randområde (R) = 100: (0,43 m × 12,0 st/m²) = 19,4 cm → 19 cm klammeravstånd [max. klammeravstånd 50 cm, max. avstånd mellan fasta klamrar 33 cm]
Normalområde (N) = 100 : (0,43 m × 5,4 st/m²) = 43,1 cm → 43 och 33 cm avstånd mellan klamrar [max. klammeravstånd 50 cm, max. avstånd mellan fasta klamrar 33 cm]
Det går endast att ladda ner innehåll från en produktkategori. Om du behöver innehåll från flera kategorier, vänligen skapa en separat nedladdning för varje produktområde.